| Beschikbaarheid Status: | |
|---|---|
ZHC -modustype
Ultra High Voltage Ceramic Condensator
Functies:
De nominale spanning UR is meer dan 10KV.DC.
Samll-grootte en spanning met hoge diëlektrische sterkte
Coated met vlamvertragende epoxyhars.
Lage dissipatiefactor en uitstekende frequentiekenmerken.
Dit soort condensatoren zijn voornamelijk samengesteld uit CT81. CC81 Radiaal -leadtype, HFC, ZHC -schimmeltype en HPC Hoogspanningsnetwerkcondensatoren.
Toepassingen:
DC -voedingen met hoge spanning, zoals lasers, röntgenapparatuur, luchtreinigers, enz.
Gebruikt in focuscircuits voor kleurendisplay, waardoor de beeldfocus beter van het hele scherm wordt.
Gebruikt in de elektrostatische coatingmachines.
Specificatie:
Temperatuurbereik | Testconditie | ||
-25 ℃ ~+85 ℃ | temperatuur | spanning | frequentie |
20 ± 2 ℃ | 1,0 ± 0,2 V | 1 kHz of 1 MHz | |
Nominale spanning (UR): 10-40kV.dc
Nominale capaciteit: 1-10000pf
Tolerantie: J: ± 5%; K ; ± 10%; M: ± 20%
Temp. Char.: Bn, B, R, D, E, F, Sl, Yl.
Dissipatiefactor: BN≤0,5% R, D≤0,2%
B, E, F≤2,5% (1 kHz)
SL, YL≤0,15% (1MHz)
Isolatieweerstand: 10000m Ω min.
Testspanning: 1.5UR
HFC Focus Type:
Dit soort condensatoren zijn voornamelijk samengesteld uit HFC-11 en HFC-12-type.
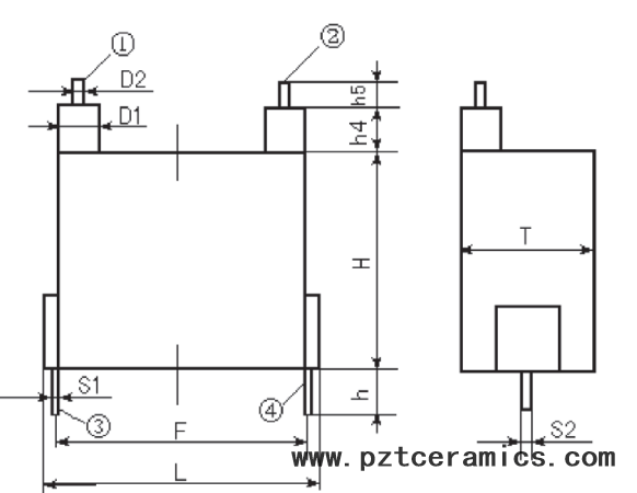
Dimensie van uiterlijk en schematische tekening
CODE Nr. | L ± 1,0 | H ± 1,0 | F ± 1,0 | T ± 1,0 | D1 Φ ± 0,5 | D2 Φ ± 0,1 | H1 ± 0,5 | H2 ± 0,5 | H3 ± 0,5 | H4 ± 0,5 | H5 ± 0,5 | H6 ± 1,0 | S1 ± 0,1 | S2 ± 0,1 | d Φ ± 0,1
|
HFC-11-15KV-102K | 27.0 | 38.0 | 18.0 | 14.5 | 5.8 | 3.2 | 4.5 | 2.8 | 1.7 | 10.0 | 600 (480) | 9.0 | 1.0 | ||
HFC-12-15KV-102K | 34.0 | 27.0 | 31.0 | 18.0 | 6.4 | 2.35 | 4.5 | 8.0 | 3.3 | 0.7 | 1.75 |
| CODE Nr. | Dimensie van uiterlijk | Schematische tekening |
| HFC-11 | ![]() | ![]() |
| HFC-12 | ![]() | ![]() |
Contact:
E-mail: sales@pztceramics.com
violet.shan@pztceramics.com
Tel.: +86 131 6536 1320
Web: www.pztceramics.com
Ultra High Voltage Ceramic Condensator
Functies:
De nominale spanning UR is meer dan 10KV.DC.
Samll-grootte en spanning met hoge diëlektrische sterkte
Coated met vlamvertragende epoxyhars.
Lage dissipatiefactor en uitstekende frequentiekenmerken.
Dit soort condensatoren zijn voornamelijk samengesteld uit CT81. CC81 Radiaal -leadtype, HFC, ZHC -schimmeltype en HPC Hoogspanningsnetwerkcondensatoren.
Toepassingen:
DC -voedingen met hoge spanning, zoals lasers, röntgenapparatuur, luchtreinigers, enz.
Gebruikt in focuscircuits voor kleurendisplay, waardoor de beeldfocus beter van het hele scherm wordt.
Gebruikt in de elektrostatische coatingmachines.
Specificatie:
Temperatuurbereik | Testconditie | ||
-25 ℃ ~+85 ℃ | temperatuur | spanning | frequentie |
20 ± 2 ℃ | 1,0 ± 0,2 V | 1 kHz of 1 MHz | |
Nominale spanning (UR): 10-40kV.dc
Nominale capaciteit: 1-10000pf
Tolerantie: J: ± 5%; K ; ± 10%; M: ± 20%
Temp. Char.: Bn, B, R, D, E, F, Sl, Yl.
Dissipatiefactor: BN≤0,5% R, D≤0,2%
B, E, F≤2,5% (1 kHz)
SL, YL≤0,15% (1MHz)
Isolatieweerstand: 10000m Ω min.
Testspanning: 1.5UR
HFC Focus Type:
Dit soort condensatoren zijn voornamelijk samengesteld uit HFC-11 en HFC-12-type.
Dimensie van uiterlijk en schematische tekening
CODE Nr. | L ± 1,0 | H ± 1,0 | F ± 1,0 | T ± 1,0 | D1 Φ ± 0,5 | D2 Φ ± 0,1 | H1 ± 0,5 | H2 ± 0,5 | H3 ± 0,5 | H4 ± 0,5 | H5 ± 0,5 | H6 ± 1,0 | S1 ± 0,1 | S2 ± 0,1 | d Φ ± 0,1
|
HFC-11-15KV-102K | 27.0 | 38.0 | 18.0 | 14.5 | 5.8 | 3.2 | 4.5 | 2.8 | 1.7 | 10.0 | 600 (480) | 9.0 | 1.0 | ||
HFC-12-15KV-102K | 34.0 | 27.0 | 31.0 | 18.0 | 6.4 | 2.35 | 4.5 | 8.0 | 3.3 | 0.7 | 1.75 |
| CODE Nr. | Dimensie van uiterlijk | Schematische tekening |
| HFC-11 | ![]() | ![]() |
| HFC-12 | ![]() | ![]() |
Contact:
E-mail: sales@pztceramics.com
violet.shan@pztceramics.com
Tel.: +86 131 6536 1320
Web: www.pztceramics.com